!

Logga in

Coronet Yacht Club

Logga in

Glömt ditt lösenord?

Stanna inloggad

Bryggsnack

« Tillbaka

Stoppring - vart kan man köpa en ny?

Stoppring saknas till roder på en 31 Aft Cabin
Vet någon vart jag kan hitta en sådan?

2021-04-10 22:09

Nicholai Borbely
Medlem
31 Aft Cabin

Ritning

2021-04-10 22:10

Nicholai Borbely
Medlem
31 Aft Cabin

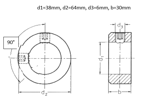
Kika i tabellen, rätt innerdiameter fast de andra dimensionerna är annorlunda.
Det kanske är lättast att ta en sväng om en lokal mek verkstad om det är kritiskt med dimensionerna. Det kanske ska vara rostfritt också?
MVH Johan

https://www.wiberger.se/templates/din705.htm

2021-04-11 13:18

Johan Arvidsson
Medlem
Saknar båt i Coronetregistret

Tack för tipset.
Efter at ha kollat på hemsidan, fick jag dom gjort på beställning lokalt här ”hemma” i Eslöv. Och dom blev jättefina. Tack för tipset igen.

2021-04-14 14:03

Nicholai Borbely
Medlem
31 Aft Cabin



(Ange de fyra siffrorna ovan)

OBS! Bryggsnacket är ej avsett för köp- och säljannonser. För denna typ av inlägg hänvisar vi till Köp & Sälj. Inlägg som inte hör hemma på bryggsnacket kommer att tas bort utan notis.

Bryggsnacket är avsett för icke-kommersiella aktörer och för Coronetrelaterade ämnen. Inlägg som motstrider detta kan/kommer att tas bort utan notis.

Desktop layout

© Copyright 2026 - Coronet Yacht Club - All rights reserved

Friskrivningsklausul | Om Coronet Yacht Club | Om cookies